Nombre Parcourir:0 auteur:Wondee Autoparts publier Temps: 2021-12-29 origine:Wondee Autoparts
1. Paramètres principaux des ressorts à feuilles
Comme le montre la figure 1 ci-dessous. Les principaux paramètres des ressorts à feuilles sont:


(Figure 1. Paramètres principaux des ressorts à feuilles)
2. Technologie de traitement principale des extrémités du ressort de feuille
Comme le montre la figure 2 ci-dessous. Les technologies de traitement de fin des ressorts de lames comprennent principalement les catégories suivantes:


(Figure 2. Traitement des technologies des extrémités du printemps à feuilles)
3.Outils pour mesurer des ressorts à la feuille
Comme le montre la figure 3 ci-dessous. Les outils suivants sont principalement utilisés dans la mesure des ressorts à feuilles: un étrier vernier, un ruban à mesurer, une règle carrée, une corde, une jauge de filetage (non couramment utilisée), une jauge de filets r (non couramment utilisée), un stylo et papiers pour enregistrer des données, etc.


(Figure 4.Tools pour mesurer des ressorts à feuilles)
4. Mesure de l'ensemble à ressort à feuilles
1) Photographier et archivage
Enregistrez le contenu de l'identification et des couleurs de peinture des ressorts à feuilles.
2) Mesurer et enregistrer la hauteur d'arc (H), la longueur d'arc (L) et la moitié de la longueur d'arc de l'ensemble à ressort à la feuille
Comme le montre la figure 4 ci-dessous. 2-3 personnes sont tenues de mesurer avec une corde et une cassette.


(Figure 4. Hauteur d'arc et longueur d'arc de l'ensemble à ressort à la feuille)
3) Mesurer et enregistrer les paramètres du boulon central
Comme le montre la figure 5 ci-dessous. Utilisez un étrier vernier et une jauge de filetage pour mesurer les tailles de boulons (diamètre de la tête de boulon et hauteur, longueur de boulons, etc.) et enregistrez les données. Dans le même temps, enregistrez la position de la tête de boulon (sur la surface concave ou convexe de l'ensemble à ressort à feuilles).

(Figure 5. Paramètres d'un boulon central)
4) Mesurer et enregistrer les pinces, les boulons de serrage
Comme le montre la figure 6 ci-dessous. Mesurer avec un étrier vernier. Enregistrez le numéro de série de la feuille de ressort de la feuille où se trouve la pince, la dimension de positionnement de la pince (L), la quantité de pince, l'épaisseur de matériau (H) et la largeur (B) de chaque pince, la distance de trous de boulon de serrage (H), la dimension de la pince de serrage , etc.


(Figure 6. Diagramme schématique d'une pince)
5) Mesurer et enregistrer chaque feuille
Voir l'article 5 pour plus de détails.
Remarque: les feuilles démontées doivent être placées selon la direction d'origine à ressort de la feuille d'origine et la direction de placement ne doit pas être modifiée à volonté.
5. Mesurer la seule feuille
Avant de mesurer la feuille unique, prenez des photos et conservez des fichiers, enregistrez la spécification de couleur et de matériau (largeur et épaisseur), puis mesurez les données dimensionnelles.
1) Mesure de la coupe finale et de la coupe d'angle
Comme le montre la figure 7 ci-dessous. Mesurez des tailles B et L avec un étrier de vernier. Enregistrez les données dimensionnelles correspondantes (b) et (l).


(Figure 7. Mesure de la coupe finale et de la coupe d'angle)
2) Mesure de la flexion de la flexion finale et de la compression
Comme le montre la figure 8 ci-dessous. Mesurer avec un étrier vernier et une cassette. Données dimensionnelles record (H, L1 ou L, L et H.)


(Figure 8. Mesure de la flexion finale et de la compression)
3)Mesure de la conicité courte
Comme le montre la figure 9 ci-dessous. Mesurer avec un étrier vernier et une cassette. Enregistrez des données dimensionnelles (h) et (l).


(Figure 8. Mesure du cône court)
Comme le montre la figure 10 ci-dessous. Si le ressort à feuilles effilées courte avec une gorge de la nervure, utilisez un étrier vernier et un ruban à mesurer pour la mesure. Enregistrer des données dimensionnelles pertinentes.


(Figure 10. Mesure d'une courte ressort à lame conique avec une rainure de nervure)
4) Mesure des yeux laminés
Comme le montre la figure 11 ci-dessous. Mesurer avec un étrier vernier et une cassette. Enregistrer des dimensions pertinentes. Lorsque vous mesurez le diamètre intérieur de l'œil, faites attention à la possibilité qu'il puisse y avoir des trous de corne et des trous elliptiques dans les yeux. Il doit être mesuré 3 à 5 fois et la valeur moyenne des diamètres minimum prévaudra.


(Figure 11. Mesure du ressort à lame avec des yeux laminés)
Si l'œil roulant contient une bague, utilisez un étrier de vernier pour mesurer et enregistrer les tailles pertinentes et le matériau de la bague. Les bagues communes sont les suivantes:
① bagues bi-métalliques et bagues de cuivre
Utilisez un étrier vernier pour mesurer les tailles 3bushing figurent à la figure 12 ci-dessous:


(Figure 12. Diagramme schématique de la bague en cuivre et de la bague bi-métal)
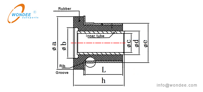
② bagues composites en caoutchouc
Utilisez un étrier de vernier pour mesurer les tailles associées de la bague en caoutchouc composite est illustrée à la figure 13 ci-dessous:


(Figure 13. Diagramme schématique de la bague composite en caoutchouc)
③ Bague à bride composite en caoutchouc
Utilisez un étrier vernier pour mesurer la taille correspondante d'une bague en bride en caoutchouc composite, comme indiqué à la figure 14 ci-dessous:


(Figure 14. Diagramme schématique de la bague de bride composite en caoutchouc)
5)Mesure des yeux enveloppés d'une feuille
Comme le montre la figure 12 ci-dessous. Utilisez un cordon, un ruban à mesurer et un étrier de vernier pour mesurer et enregistrer des données pertinentes.
Après mesurer L2, L1 peut être calculé par la formule L1 ≈ L2 - (H1 / 2 + 4). Si la taille de la longueur de la feuille d'oreille correspondante est connue, l'ingénieur à ressort de la feuille peut calculer les tailles L1 et L2 en conséquence.Si il existe des procédés de coupe de coupe et de bord de bord, et les dimensions de la coupe de coupe et de coupe de bord sont mesurées en plus.


(Figure 12. Mesure des yeux emballés)
Il existe trois types principaux de longues ressorts à feuilles coniques: structure trapézoïdale ordinaire, structure trapézoïdale brusque et structure parabolique. Utilisez un ruban à mesurer et un étrier de vernier pour mesurer et enregistrer des données pertinentes. La méthode de mesure est la suivante:
①Structure trapézoïdale ordinaire
Comme le montre la figure 13 ci-dessous. Mesurer et enregistrer les données avec un étrier vernier et une cassette.


(Figure 13. Mesure de la longue structure trapézoïdale à ressort à feuille conique longue)
②Structure trapézoïdale abrupte
Comme le montre la figure 14 ci-dessous. Mesurer et enregistrer les données avec un étrier vernier et une cassette.


(Figure 14. Mesure de la longue structure trapézoïdale de la feuille conique longue)
Comme le montre la figure 15 ci-dessous. Mesurer et enregistrer les données avec un étrier vernier et une cassette.


(Figure 15. Mesure de la longue structure à ressort de feuille conique longue)
La table d'enregistrement de mesure d'un ressort de feuille de structure parabolique est indiquée dans la table ci-dessous.
L | L1 | L1 + 50 | L1 + 100 | L1 + 150 | L1 + 200 | L1 + 300 | ...... | L2 | L3 |
Épaisseur | H | h1 | h2 | … | … | … | … | h3 | h3 |
Remarque: L est la distance entre le centre du boulon central et le point de mesure.
sept)Mesure du bord de fraisage etUn segment plat droit
Comme le montre la figure 16 ci-dessous. Utilisez un étrier vernier et un ruban à mesurer pour mesurer et enregistrer des données pertinentes.


(Figure 16. Mesure du bord de fraisage et du segment à plat)
8) Mesurer la cambrure Hof un ressort à feuilles avec un segment droit plat dans la longueur d'arc moyen et inégale sur les côtés gauche et droit du trou central
Comme le montre la figure 17 ci-dessous. Utilisez un cordon, un ruban à mesurer et un carré pour mesurer et enregistrer des données pertinentes (H, HL et HR).


(Figure 17. Mesure de la hauteur de la cambrure du ressort de la feuille)
9)Mesure detrou du centre convexe concave
Comme le montre la figure 18 ci-dessous. Utilisez un étrier de vernier pour mesurer et enregistrer des données pertinentes.


(Figure 18. Mesure du trou du centre convexe concave)
10) Mesure detrou central ovale
Comme le montre la figure 19 ci-dessous. Utilisez un étrier de vernier pour mesurer et enregistrer des données pertinentes.


(Figure 19. Mesure du trou central ovale)
Compilé parWONDEE AUTOPARTS
2021-12-29
Liste de contrôle de la maintenance semi-remorque pour une durée de vie plus longue
Comment choisir le bon système de suspension pour votre remorque?
Quelles sont les parties semi-remorques les plus courantes et leurs fonctions?
Comment brancher une remorque dans un camion: un guide étape par étape
Tailles de camions-citernes: un guide complet (2025) - Dimensions, types et conseils d'experts
Camion à ordures vs camion-benne: différences clés expliquées
Comprendre les dimensions des semi-remorques pour un transport d'équipement efficace
Comprendre les bandes-annonces complètes vs. Semi-traiurs pour transport de voitures